Az agyi aneurizmák vizsgálata a betegség lényegéből és elhelyezkedéséből adódóan nehéz, ezért kísérleti modelleket alkalmaznak. Az e referátumban áttekintett irodalom az állatkísérletes, mechanikai és számítógépes modellek segítségével a betegség aetiopathogenezisét, pathomechanizmusát igyekszik tisztázni, továbbá vizsgálja a különböző tényezők szerepét az agyi aneurizma kiahikulásában és végül a ruptúra bekövetkezésében.
Érbetegségek: 1995/4. 1-8. oldal
KULCSSZAVAK
kísérletes aneurizmák, agyi aneurizmák, aneurizma növekedés és rúptúra, subarachnoideális vérzés, hemodinamikai stressz, agyi véráramlás
Magyarországon a cerebrovascularis betegségek mortalitása 1994-ben az összhalálozás (150 244) 13,7%-át (20 581) tette ki, ami közel négyszerese a magas vérnyomás okozta mortalitásnak (5327) (1). Ebből a diagnosztizált subarachnoideális vérzések 71%-ának hátterében agyi aneurizma megbetegedés áll (2). Az agyi (muszkuláris típusú) artériákon az aneurizmák előfordulása 20-40 éves korú betegpopulációban 2:1 arányban jelentkezik a nőknél, 50 év felett pedig nincs különbség a két nem között (3). Az általunk vizsgált mintában megfigyelhető arányok az 1. táblázatban láthatók (Tóth M. et al. nem közölt adatok).
Az agyi aneurizmák aetiopathogenezise mindeddig nem tisztázott. Kétféle feltételezés van: kongenitális, illetve szerzett eredet. Az örökletesség bizonyítékául az agyi aneurizmák lokalizációját, multiplicitását, a vérzés jelentkezésének idejét, valamint az ikreknél az ugyanazon az éren azonos helyen való megjelenését említik. Ezenkívül többen leírták együttes előfordulásukat arteriovenosus malformatióval, Moya-moya betegséggel, Sturge-Weber kórral, aorta coarctatióval, nagyér agenesiával (3). Az öröklésmenet és az érintett gének pontos feltérképezése azonban még nem történt meg. A szerzett eredet alátámasztására a különböző következményes érfalelváltozással járó állapotokra (trauma, arteriosclerosis, malignus tumor, SLE, sclerosis tuberosa, Marfan szindróma, fibromuscularis dysplasia, policisztás vese, valamint III. típusú kollagén hiányával járó elváltozások) hivatkoznak (2).

1. táblázat.
Agyi aneurizmás kadaverek (58 műtét utáni és műtét nélküli eset) 1993. január - 1995. május közötti időszakban a Magyar Honvédség Központi Kórházában és az Országos Idegsebészeti Tudományos Intézetben.
Megállapítások: 1.20-39 év között csak nőknél fordul elő.
2. 40-49 év között fordul elő a legtöbb, itt 3,4:1 a nő:férfi arány.
3. 50 év felett csökken, 50-59 év között 1:1,
60-69 év között 2:1, 70-79 év között 1:1 az arány.
A betegség lényegéből és lokalizációjából adódik, hogy nehezen diagnosztizálható és vizsgálható. E referátum célja, hogy áttekintse azokat a modelleket, amelyek az agyi aneurizmák kialakulásával, növekedésével, valamint a ruptúra bekövetkezésével és a kezelési lehetőségek bővítésével kapcsolatos ismeretek feltárására irányulnak.
A pathomechanizmus kutatása vonatkozásában végeztek: a./ hemodinamikai, b./ érfalmechanikai, c./ morfológiai, d./ genetikai, e./ immunológiai és f./ statisztikai vizsgálatokat.
- Az aneurizmák kialakulásában, növekedésében, valamint a ruptúra bekövetkezésében jelentős szerepet tulajdonítanak a hemodinamikai faktoroknak. Itt elsősorban a morfológiai sajátosságokat (érlefutás, bifurkációban az elágazódás szöge), az éren belüli nyomásváltozást, valamint az áramlásviszonyokat említik (4-14). A kezdeti lépésre az egyik elképzelés a hemodinamikai stressz által kiváltott artériafal dilatáció (15), amelynek kialakulása a fiziológiából ismert és a Laplace-Frank, illetve a Bernoulli törvény segítségével magyarázható (1. ábra). Mások az anatómiai adottságokat és az érfal rétegek sérülése következtében kialakuló "locus minoris resistentiae" jelentőségét emelik ki (2).

1. ábra.
Az agyi aneurizma képződés élettani magyarázata. A Laplace-Frank törvény alapján az aneurizma falában a sugár (r) növekedésével és a falvastagság csökkenésével arányosan nő a feszültség (S), emellett a Bernoulli törvény értelmében a stagnáló áramlás (v) növeli az oldalnyomást (P) és így a ruptúrára való hajlamot.
- Az agyi aneurizmák gyakori multiplex előfordulása alapján feltételezhető, hogy nemcsak lokális, hanem szisztémás érelváltozásrói van szó (2, 16). Ezt saját, humán artériákon végzett biomechanikai vizsgálataink is alátámasztják. In vitro kvázistatikus nagydeformációs mechanikai teszt alkalmazásával szignifikáns eltéréseket találtunk az agyi aneurizmás vs. kontroll csoport reprezentatív intra- (artéria cerebri anterior) és extracraniális ereinek (a. radialis, a. dorsalis pedis) passzív mechanikai paraméterei (falvastagság, tangenciális falfeszültség, sugár / falvastagság arány) között (17).
- Morfológiai vizsgálatok alapján leírták, hogy az agyi aneurizmazsák fala rugalmas- és rácsrostból, valamint kevés simaizomból áll. Az érsimaizom az aneurizma növekedésével párhuzamosan az aneurizma nyakánál fokozatosan elvékonyodik vagy megszűnik. Mivel az óriás aneurizmák falában csak kollagén szerkezetű fibrotikus szövet található, elképzelhető, hogy a zsákban csupán a kollagént tartalmazó kötőszövetes érkomponens aránya nő meg (2). Nagyon lényeges, hogy az aneurizmazsák fala nem tartalmazza a szülőér falának összes szerkezeti elemét. Ezt a feltételezést alátámasztják aneurizmazsákból vágott csíkokon végzett mechanikai vizsgálataink előzetes eredményei is, amelyek szerint a vékonyabb falrészek szakítási szilárdsága nagyobb, mint a vastagabb szakaszoké (18).
- Egyes állatfajoknál (foltos egér, pulyka, ló) megfigyelték az agyi aneurizmák halmozott előfordulását (3). Az öröklésmenet és a gének pontos meghatározása azonban ezideig nem történt meg.
- Humán agyi aneurizmák immunfluorescens vizsgálatával az endotheliumban IgM és C3 depositumok felszaporodását is megfigyelték, aminek szerepét viszont - a klinikai megfigyelésekkel egybevetve - az agyi aneurizmák ruptúrája után bekövetkező neurológiai komplikációkban látják (19).
- Végeztek humán prediktív vizsgálatokat a betegség kimenetelét illetően, melyben a pre- és postoperatív faktorok alapján összeállított betegpopulációkat definiáltak. A közel 1000 betegre kiterjedő multifaktoros vizsgálat eredményei alapján úgy tűnik, hogy a korábbi állítás, mely szerint a késői operáció (1 hét várakozás) kimenetele jobb, nem egyértelmű. Azoknál a betegeknél, akik 2 nappal a vérzés után kerültek műtétre, jobb volt a gyógyulás, mivel csökkent az újravérzés lehetősége (20).
Mindezen megfigyelések és a fent említett hipotézisek tisztázása érdekében a kutatók modellek segítségével is igyekeztek pontosabb információkat kapni az agyi aneurizmákról. A következő részben az elmúlt évtizedben alkalmazott kísérletes modelleket foglaljuk össze, amelyeket a következőképpen csoportosítottunk: 1. állatkísérletes, 2. mechanikai és 3. számítógépes modellek.

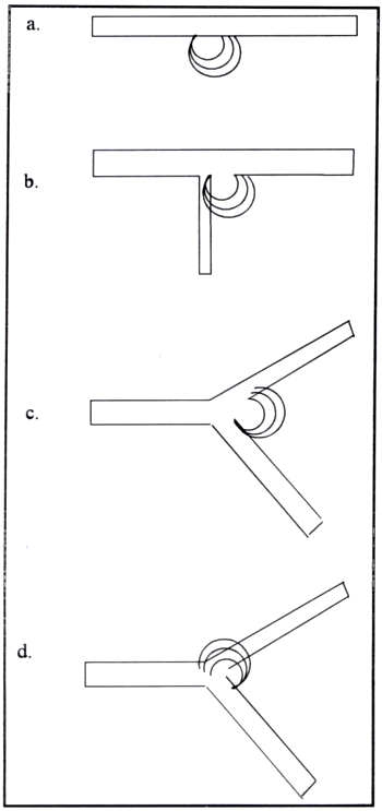
2. ábra.
A vénafoltból készült aneurizmák elhelyezkedése az artéria carotis communíson. A modellben a. laterális, b. terminális, c. bifurkációban lévő aneurizmák elhelyezkedése az artéria carotis communison. A sötét rész: aneurizmazsák vena jugularis externa foltból (21).
I. Állatkísérletes modellek
Állatkísérletes modelleket alkalmaztak: a./ a pathomechanizmus vizsgálatára (kutyán és patkányon), b./ a műtéti technika tökéletesítésére (páviánon és kutyán), c./ valamint az aneurizma ruptúrát követő subarachnoideális vérzés utáni vazospazmus problémáinak tanulmányozására (kutyán).
- Kutyákon az aneurizmák hemodinamikáját tanulmányozták terminális, laterális és bifurkációban lévő aneurizmákban. A metodika lényege egy 2 cm nagyságú vénás folt (vena jugularis externából) beültetése volt az artéria carotis communisba a megfelelő geometriai modellek létrehozására (2. ábra). A vizsgálatokat angiográfiával és Doppler ultrahang készülékkel végezték. Eredményeik szerint az aneurizmákban a véráramlás nagyon változatos mintázatot mutat, és elsősorban az aneurizma és a szülőartéria geometriai egyértelműen definiálni az aneurizmák ruptúrájával, növekedésével és trombotizálásával kapcsolatos áramlási jellemzőket (21)
Patkányokon is tanulmányozták kisérletesen létrehozott agyi aneurizma modellen az aneurizma kialakulásában szerepet játszó hemodinamikai faktorok jelentőségét. Az agyi aneurizmákat az egyik artéria carotis communis és mindkét vese artéria hátsó ágának lekötésével, indukált hipertenzióval és az állatok béta-aminopropiolnitrillel való táplálásával hozták létre. Videokamera és rekorder segítségével a bifurkációban vizsgálták a véráramlás mintázatot latex részecskék felhasználásával. Kontrollként az ép bifurkációkat használták. Megfigyeléseik szerint az aneurizma leggyakrabban a carotis lekötéssel ellentétes oldalon alakult ki, s morfológiailag és szövettanilag nagyon hasonló a humán agyi aneurizmákhoz. Az aneurizma kialakulásában az apikális intima résznek szerepe van, mivel itt a legnagyobb a nyírási sebesség. Az elektronmikroszkóppal is kimutatható endothelium sérülésben látják az aneurizma kialakulásának kiindulási lépését. A latex részecskék disztális apikális intimán történő kitapadása pedig azt jelzi, hogy az aneurizma növekedésében a stagnáló áramlásnak is szerepe van (22). Ugyanez a kutatócsoport kimutatta, hogy az aminoprotörékennyé teszi, így a nagy agyi artériákban a hemodinamikai stressz következtében - elsősorban a bifurkációkban - megnő az aneurizma kialakulás esélye. A képződött aneurizmák makroszkóposán és mikroszkóposán megegyeznek a humán agyi aneurizmákkal. Az elektronmikroszkópos és hisztokémiai vizsgálatok szerint leukocitáknak és lizoszomális enzimeiknek is szerepük van az aneurizmák fejlődésében és növekedésében (23). - Mivel jelenleg az agyi aneurizma kezelésére a műtét az egyetlen megoldás, a következő modellek segítségével próbálják tökéletesíteni a műtéti technikát. Pávián modellen végezték az artéria basilaris kísérletes rekonstrukcióját transoralis-transclivalis behatolásból. Bár a modell e technika gyakorlására alkalmas volt, mivel páviánokban az agyi erek mérete és elhelyezkedése közel megegyező a humánéval, mégis megállapították, hogy ez a műtét az egyik legkörülményesebb beavatkozás, amivel az idegsebészek a gyakorlatban találkoznak (24). A műtétek továbbfejlesztésére kutya modellen próbálkoztak endovaszkuláris protézis beültetésével is. A laterális aneurizmákba a háló szerkezetű fémprotézis behelyezése (3. ábra) - megszüntetve a vortex áramlást - biztosítja az ér számára az eredeti áramlási körülményeket. A szövettani vizsgálatok szerint az aneurizmában fibrotikus kötőszövet és kollagén termelő folyamatok az áramlásból kirekesztett üreg elzáródását eredményezik. így az endovaszkuláris protézis választott műtétek esetén - (laterális) intracraniális aneurizmák - alkalmas megoldás (25).

3. ábra.
Az endovaszkuláris érprotézis elhelyezkedése és az aneurizma üreg keringésből kirekesztett részének elzáródása (25).
- Az aneurizma ruptúráját követő subarachnoideális vérzés utáni vazospazmussal kapcsolatos problémák vizsgálatára a következő modelleket használták. Hydrocephalus-modell segítségével kutyákon vizsgálták az összefüggést a szisztémás artériás nyomás, az agyi artériás nyomás és az agyi perfúziós nyomás között, s ennek hatását az intracraniális vazospazmusra. Napjainkban az egyik legvitatottabb kérdés: 1. műtét után vazodilatátor adása az újravérzés lehetőségének csökkentésére (a szisztémás vérnyomás csökkentésével), vagy 2. intra- vaszkuláris volumen expanzió és indukált artériás hipertenzió alkalmazása (ami a vazospazmus oldását eredményezi). Kutyákban a spontán, vagy indukált hipertenzió alkalmas a cerebrális perfúziós nyomásesés kompenzálására. A klinikumban az indukált artériás hipertenzió az egyik leghatásosabb kezelése lehetne az agyi aneurizma ruptúra utáni vazospazmusnak, de ez ugyanakkor megnövelné az újravérzés esélyét. Ezért az indukált hipertenzió kizárólag az aneurizma klippelése után és az artériás középnyomás ellenőrzése mellett alkalmazható. Ezenkívül az agyi perfúziós nyomást és az agyi autoreguláció épségét is folyamatosan ellenőrizni kell (26).
Az úgynevezett vérzéses modell segítségével a CSF-lavage (cerebrospi- nális folyadék befecskendezése a ciszternákba) vazospazmusra gyakorolt hatását vizsgálta kutyákon egy másik kutatócsoport. Ebben a modellben az elemzés szempontjai a véralvadék jelenléte, a neurológiai állapot (meningizmus, ataxia, paresis, agyideg sérülés), valamint a vérnyomás-, vérgázértékek voltak, kiegészítve angiográfiás és szövettani vizsgálatokkal a vérzés előtt és a vérzés utáni 1. és 8. napon. Sem a neurológiai állapot, sem a szövettani vizsgálatok nem mutattak különbséget a kezelt és a kezelés nélküli csoport között. Az artéria cerebri médiában és az artéria basilarisban az endothelium desquamatiő jelentősen csökkent, a véralvadék pedig kisebb mértékben volt jelen a CSF-lavage kezelésen átesett csoportnál. Ezek a megfigyelések alátámasztják a CSF-lavage műtét mielőbbi (1 órával a subarachnoideális vérzés után) alkalmazásának létjogosultságát a klinikai gyakorlatban a vazospazmus megelőzésére (27).
Patkányokon kvantitatív technika alkalmazásával (14-C-alfa-aminoisobutiric acid) vizsgálták subarachnoideális vérzés után két nappal a véragy gátban jelentkező permeabilitás változásokat, mivel klinikai megfigyelések és állatkísérletek (kutya, macska, patkány, nyúl) szerint a vérzés után bekövetkező neurológiai problémák egy részét a vér-agy gát permeabilitás-változása okozza. Ezt a kvantitatív vizsgálatok is alátámasztották. Bár nem extrapol álható teljes mértékben humán esetekre, az agyi aneurizma ruptúra utáni subarachnoideális vérzésnél adódó komplikációk esetén gondolni kell erre a lehetőségre is (28).
A második részben az aneurizmák biomechanikai tulajdonságait vizsgáló modelleket foglaltuk össze. Az elasztikus, üveg és szilikon modellek segítségével az aneurizmán belüli nyomásáramlás viszonyokat, az alacsony frekvenciájú áramlásingadozásokat, valamint az aneurizmazsákban és a szülő erekben lévő áramlási sebesség és az erek falában ébredő nyíróerő jelentőségét vizsgálták.

4. ábra.
Az üvegmodell geometriája. A membrán elasztikus modulusa előzetes mérések alapján 2 x 107 dyn/cm2 volt (16).
A nyomás-térfogat összefüggés tanulmányozására elasztikus szövetből és kollagénből aneurizmafal modellt készítettek (4. ábra). A modell elasztikus kus modulusait 2x107 dyn/cm2 nagyságúra tervezték a humán autopsziás vizsgálatokból adódóan. Az aneurizma egy 6 mm átmérőjű T alakú cső tetején (aneurizma nyak) volt. A víz és a humán vér nyomáspulzus hullámai a T alakú cső alján léptek be kontrollált ellenállás mellett, ezalatt a nyomást folyamatosan regisztrálták. A szisztolés nyomás inkrementális növekedésére nem-lineáris N alakú nyomás-térfogat görbét kaptak. Kezdetben a térfogatváltozás lineáris volt a nyomás változásával. Egy pontnál (nyomásküszöb) hirtelen térfogatugrás következett, ami után beállt egy új, stabil egyensúlyi helyzet. Feltételezhető, hogy a küszöb feletti további nyomásnövekedés okozhatja az aneurizma ruptúráját, ami a kísérletben mindig a vékony, tágulékony falrészletnél következett be. Magasabb pulzus frekvencia esetén az ugrás a térfogatváltozásban kisebb térfogatnál következett be. Amennyiben a perifériás rezisztencia volt magasabb, a nyomásküszöb is magasabb volt. Ez az egyik lehetséges mechanizmusa a humán agyi aneurizmák nyakánál lejátszódó folyamatoknak, ami az aneurizmák korai, gyors növekedését magyarázhatja (29).

5. ábra.
A bifurkációs üveg-modellek geometriája.
a. laterális aneurizma,
b. 90 fokos bifurkációban,
c. 140 fokos bifurkációban,
d. 140 fokos bifurkációban, az erek síkjából 45 fokban kiemelkedve bemutatott aneurizmák. Minden modell esetén háromféle aneurizma lumen átmérővel (10, 20, 30 mm) végeztek vizsgálatokat.
Egy másik kutatócsoport üvegből készített aneurizma modell segítségével, valamint intraoperatív Doppler vizsgálatokkal tanulmányozta az alacsony frekvenciájú áramlásingadozásokat az agyi aneurizmákban. Az intraoperatív Doppler vizsgálat alapján a 12 betegből 6-nál akusztikusán és vizuálisan elkülöníthető áramlásingadozásokat lehetett megfigyelni a pulzushullámra szuperponálódva, melyek 60- 150 ms között periodikusnak tűntek. 3 betegnél csak akusztikusait megfigyelhető áramlási rendellenességet tapasztaltak, 3 betegnél pedig nem figyeltek meg hasonló jelenséget. Az üvegrnodellben (5. ábra) laterális, valamint 140 fokos bifurkációban az erekkel megegyező síkban és az erek síkjából 45 fokban kiemelkedő aneurizmákat 3 féle zsák-átmérővel (10, 20, 30 mm) vizsgálták. Az agyi erekre jellemző Reynolds szám (300) esetén a modellben is sikerült áramlás instabilitásokat megfigyelni az alacsony áramlási sebességű zónákban. Teljesen kialakult turbulenciát nem találtak sem az intraoperatív vizsgálatok, sem a modell alapján. Úgy tűnik, hogy az áramlásingadozások vibrációt indukálnak, ami elősegíti az aneurizma növekedését és végül az aneurizma ruptúráját (30).

6. Ábra.
A laterális modell geometriája (14)
Laterális aneurizmákban a folyadék áramlási sebességét kvantitatíve vizsgálták üveg és szilikon modelleken (6. ábra) non-invazív lézer Doppler technikával. Tanulmányozták az érfal elaszticitását, a pulzus hullámot és a perfúziós médium hatását az aneuriz- mán belüli keringésre. Megfigyeléseik szerint a beáramlás a fundus középpontjában, a visszaáramlás pedig a fundus fala mentén haladt. Nem-pulzáló perfúzió esetén a középpontban az áramlás sebessége 0,4-2,0%-a volt a szülő artériában mértnek. Pulzáló perfúzió mellett a centrumban mért áramlási sebesség a szülóer tengelyében mért sebesség 8-13%-a. A makromolekuláris perfúziós médium alkalmazásakor az áramlási sebesség kisebb volt a glicerin/víz oldathoz hasonlítva. A bifurkációban - amely áramlás elosztó szerepet tölt be - mérték a maximális nyírási feszültséget. A humán agyi aneurizmazsákokban az áramlás és a nyírási feszültség direkt kapcsolatban áll a pulzus nyomással. A spontán trombózisra való hajlam pedig a vér viszkózus tulajdonságaitól függ, különösen a hematokrittól (31). A bifurkációban lévő aneurizmák áramlási sebességét kvantitatíve vizsgálta az előző munkacsoport üveg és szilikon modelleken non-invazív lézer Doppler technikával. Az aneurizmán belüli áramlás-mintázat meghatározásában a geometriai faktor volt az elsődleges. Az egyenes, terminális aneurizma modellben a felszálló érben addig stagnált az áramlás, amíg a bifurkáció ágaiban a kiáramlás kiegyensúlyozódott. A fundusban az átlagsebesség kicsi volt, de nagy amplitúdójú turbulens áramlásingadozások is megfigyelhetők voltak. A bifurkációból aszi- metrikus kiáramlás esetén az aneurizmán belül egy körkörös áramlás jött létre a dominánstól a subdomináns ág irányába. A maximális áramlási sebességet a terminális aneurizma középső részén mérték, ami 50-80%-a volt az afferens érben mért sebességnek. Az aneurizmán belüli áramlási sebesség nem különbözött az elasztikus és a ri- gid modellben. Az elaszticitás csillapította az aneurizmán belüli pulzus hullámot. A laterális aneurizmákhoz hasonlóan a nyírási feszültség a humán terminális aneurizmákban is 50 dyn/cm volt, s nem az aneurizma csúcsán, hanem a nyakánál érte el a maximumot. így feltehető, hogy a nyírási feszültség az aneurizma növekedésében (nem a ruptúrában) játszik szerepet. Az áramlás indirekt módon, a turbulencia létrehozásával befolyásolja a ruptúra bekövetkezését (32).
3. Számítógépi (malemalikai) modellek
Az olyan szituációk vizsgálatára, amelyek az élő szervezetben, illetve fizikai modellekkel nehezen (vagy egyáltalán nem) állíthatók elő, számítógépes modelleket alkalmaznak.
Az agyi aneurizmák eredetének és növekedésének tanulmányozására, az aorta vizsgálata során mért hemodina- mikai adatok, valamint az artéria ce- rebri médiáról készült angiogramm felhasználásával, komputer szimulációs modellt készítettek. Az aneurizma üregében vizsgálták az áramlási sajátosságokat, a vér nem-newtoni tulajdonságait figyelembe véve. Kiszámították a lokális nyírási feszültséget, a nyomást (az aneurizma nyakánál), valamint tanulmányozták a véráramlást az aneurizma üregében különböző szituációk esetén. A modellben a vér az aneurizma üregébe a proximális fal mentén lép be, továbbhalad a disztális fal mentén a szisztole emelkedő szakaszában. A szisztole és diasztole leszálló részén az áramlás iránya megfordul: a disztális részen lép be, és a proximálison hagyja el az aneurizma üregét. Az áramlás irányában bekövetkező gyors változás a nyírási feszültségben és az aneurizma proximális és disztális fali részén mérhető nyomásban is egy gyors változást hoz létre, ami folyamatosan károsítja az intimát az aneurizma nyakánál. Ezek a hemodinamikai változások lehetnek felelősek az aneurizma kialakulás kezdeti lépéseiért, a trombus keletkezéséért, valamint a ruptúra bekövetkezéséért (33).
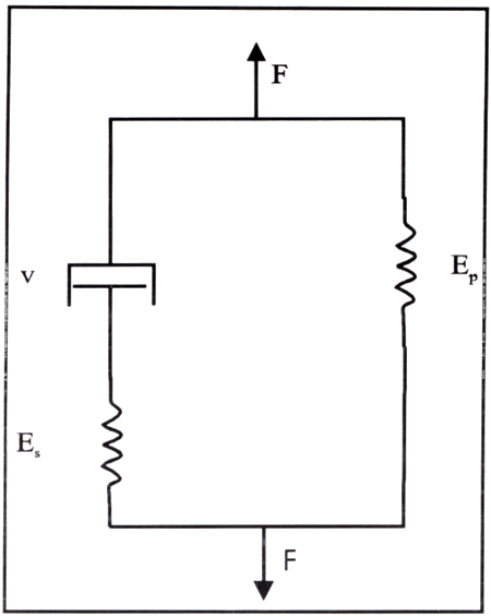
Az agyi aneurizmák képződéséhez támpontot adnak azok a vizsgálatok, amelyek az agyi árstruktúra kialakulásával foglalkoznak. Az artériás ágrendszer növekedésének és adaptációjának paraméteres optimalizálását végezte el egy másik munkacsoport. Először az artéria carotis rendszerről megállapították, hogy az energiaminimum elve alapján működik. Angiogrammok felhasználásával (az artéria carotis, az artéria cerebri anterior és média szülő és leány ága átmérőjének és az elágazódások szögének adatai alapján) az agyi érhálózat működési elveit vizsgálták. A számításokból kiderült, hogy az úgynevezett átmérő exponens = 3, ami azt jelenti, hogy a meghatározott paraméterek között (térfogati áramlás, áramlási sebesség, ér sugár) szigorú funkcionális összefüggés van. A nyírási sebesség által indukált endothelium funkció tűnik a fő szabályozó mechanizmusnak az optimális érmintázat kialakításában (34). Az agyi artériáknál leírtak egy optimális véráramlás/sugár hányadost. A bifurkációk szögének nagysága változatos, az energiaminimum elvének megfelelően. Az előző modell alkalmazásával azt vizsgálták, hogy a bifurkáció csúcsa, ami az agyi érhálózatban a maximális hemodinamikai stressznek kitett hely, milyen áramlási jellegzetességeket mutat. Megállapították, hogy a bifurkáció szöge olyan optimalizálási elv alapján jön létre, amely az extracranialis artériákhoz hasonlóan globálisan és lokálisan is alkalmas a megnövekedett hemodinamikai stressz kivédésére (35). Munkacsoportunk saját mérések alapján kidolgozott egy elméleti matematikai modellt az aneurizmás és ép érszakaszok viszkoelasztikus tulajdonságainak vizsgálatára (36). Az úgynevezett Kelvin (standard lineáris szilárdtest) modell (7. ábra) egy viszkózus, valamint vele sorosan, illetve párhuzamosan kapcsolt elasztikus elemből épül fel, amely felhasználásával meghatározhatók az érfal jellemző viszkoelasztikus tulajdonságai: a kúszás és a feszültségrelaxáció. Egy számítógépes algebrai program segítségével agyi aneurizmazsákból vágott csíkok szakítási szilárdságát vizsgáltuk, ami az agyi aneurizmák kialakulásának mechanizmusához, valamint a ruptúra bekövetkezésének körülményeihez ad újabb ismereteket (37).

7. ábra.
Kelvin (standard lineáris szilárdtest) modell (36).
Es: soros rugalmassági elem modulusa.
Ep: párhuzamos rugalmassági elem modulusa, v: viszkozitási együttható (lengéscsillapító). F: erő.
Összefoglalás, következtetések
Az agyi aneurizma modellek jelentőségét a következőkben foglaljuk össze. Az állatmodellek segítségével az agyi aneurizmák pathomechanizmusá- nak egyes lépéseit tanulmányozták. A hemodinamikai vizsgálatok alapján kiderült, hogy az aneurizmák a leggyakrabban a lekötéssel ellentétes oldalon képződnek. Áramlási sajátosságukat tekintve a különböző geometriájú ane- urizmákat nem lehet egységesen jellemezni. A morfológiai vizsgálatok alapján a modell aneurizmák szerkezete megegyezett a humán agyi aneurizmákéval. Az aneurizma kialakulásában a táplálkozási tényezők jelentőségét bizonyítja az a kísérletsorozat, amelyben a béta-aminopropiolnitril az érfalszerkezet sérülékenységét okozta. A rupturált aneurizmák környezetében a leukociták felszaporodása az immunrendszer szerepét bizonyítja. Egyes állatmodellek alkalmasak a műtéti technika tökéletesítésére és új technikák kipróbálására és begyakorlására. Az állatkísérletek alapján a subarachnoideális vérzést követő vazospazmus megelőzésére a műtét után CSF-lavage mielőbbi alkalmazása és az indukált hipertenziő is alkalmas. Az adódó neurológiai komplikációk hátterében pedig gondolni kell a vér-agy gát permeabilitásának megváltozására.
A mechanikai modellek az áramlási jellegzetességekről adnak új információkat. Az elasztikus modell segítségével az aneurizma nyakánál lejátszódó áramlási sajátosságokat vizsgálva úgy tűnik, hogy az agyi erek tágulékonysága egy bizonyos határig képes kompenzálni a nyomásingadozásokat, és e küszöb felett következik be a ruptúra. Ez a küszöb függ a pulzusfrekvenciától és a perifériás ellenállástól is. Az üveg modellek és az intraoperatív Doppler vizsgálatok alapján valószínű, hogy az áramlásingadozások vibrációt indukálnak, ami elősegíti az aneurizma növekedését és végül az aneurizma ruptúráját. A modellek alátámasztják azt, hogy az agyi aneurizmazsákokban az áramlás és a nyírási feszültség direkt kapcsolatban áll a pulzusnyomással. A nyírási feszültség szerepe az aneurizma növekedésében (nem a rup- túrában) van, az áramlás pedig indirekt módon, a turbulencia létrehozásával befolyásolja a ruptúra bekövetkezését.
Az egyik számítógépes modellben kiszámították a lokális nyírási feszültséget, a nyomást (az aneurizma nyakánál), valamint tanulmányozták a véráramlás mintázatot az aneurizma üregében. Az áramlás irányában bekövetkező gyors változás a nyírási feszültségében és az aneurizma proximális és disztális fali részén mérhető nyomásban is egy gyors változást hoz létre, ami folyamatosan károsítja az intimát az aneurizma nyakánál. Ezek a hemodinamikai változások lehetnek felelősek az aneurizma kialakulás kezdeti lépéseiért, a trombus keletkezéséért, valamint a ruptúra bekövetkezéséért. Egy másik számítógépes modell az agyi érhálózat kialakulását vizsgálta. Megállapították, hogy a nyírási sebesség által indukált endothelium funkció tűnik a fő szabályozó tényezőnek az optimális érmintázat kialakításában, ami befoyásolhatja az agyi aneurizmák kialakulását is. Egy harmadik modell alapján leírták, hogy a bifurkáció szöge olyan optimalizálási elv alapján jön létre, amely az extracranialis artériákhoz hasonlóan globálisan és lokálisan is alkalmas a megnövekedett hemodinamikai stressz kivédésére.
Mindezek alapján további kérdések merülnek fel az agyi aneurizma betegséggel kapcsolatos fehér foltok tisztázására. Ennek súlyossága, valamint aetiopathogenezise napjainkban is meghenezíti az agyi aneurizmák diagnosztizálásának és kezelésének radikális fejlődését. Bár számos vizsgálatot végeztek az agyi aneurizmák kongenitális vagy szerzett eredetét illetően, mégsem sikerült egyértelműen lezárni a kérdést. Korszerű technikák alkalmazásával (géntérképezés) fontos lenne megtalálni az egyértelmű bizonyítékot. A számos vizsgálat alapján úgy tűnik, hogy a genetikai háttér mellett különböző tényezők (dohányzás, magas vérnyomás, kötőszöveti betegségek) közrejátszásával alakul ki a betegség. Külön figyelmet érdemel az agyi aneurizmák számának hirtelen megnövekedése a nőknél a klimaktérium idején. Saját megfigyeléseink alapján elképzelhetőnek tartjuk, hogy az agyi aneurizma kialakulásában, valamint a ruptúra bekövetkezésében szerepet játszik valamilyen hormonális tényező is. Az 50 év felett megfigyelhető nemi arány eltolódás oka pedig valószínűleg az agyi aneurizmás férfiak egyéb betegségben (például ischaemiás szívbetegségben) történő gyakoribb halálozásában kereshető. Fontos lenne tovább vizsgálni az aneurizma ruptúra és a hormonális tényezők kapcsolatát. A morfológiai vizsgálatok következő lépéseként hisztokémiai és enzimatikus vizsgálatokkal tisztázni kellene azt, hogy az aneurizmazsákban, valamint a megváltozott agyi árstruktúrában milyen komponensek (és milyen mértékben) módosultak. A számítógépes modellezés segítségével, eredeti morfológiai paraméterek felhasználásával pontosabban lehetne leírni a különböző geometriájú aneu- rizmák növekedését (és az azt elősegítő tényezők szerepét), áramlási sajátosságait, valamint a ruptúra bekövetkezésének módjait. Ez a prevenció szempontjából adna jelentős segítséget a klinikumnak.
Köszönetnyilvánítás
E közlemény előkészítését a következő kutatási támogatások tették lehetővé: OTKA T 017789 és ETT 291/93. A szerzők köszönetüket fejezik ki clr. Nyáry István professzornak a kísérletek megvalósításában és a kézirat előkészítésében nyújtott együttműködéséért, valamint dr. Bonyhai Istvánnak az ábrák szerkesztésében és Oravecz Lászlónénak a kézirat előkészítésében való értékes közreműködéséért.
Irodalom
- Statistical Yearbook of Hungary (1994).
- Kopa J.: Az agyi erek saccularis aneurizmái. Kandidátusi értekezés (1991).
- Powell, J.: Models of arterial aneurysm: for the investigation of pathogenesis and pharmacotherapyreview. Atheroscler., 87: 93-102. (1991.)
- Davidson, R.: Tuberous sclerosis with fusiform aneurysm of both internál carotid arteries manifested by unilateral visual loss and papilledema. Bul. Los Angeles Neu- rol. Soc., 39: 128-132. (1974.)
- Fuwa, 1, Matsukado, Y., Kaku, M., Nona ka, S.: Enlargement of a cerebral aneurysm associated with ruptured arteriove- nous malformation. Acta Neurochir., 80: 65-68. (1986.)
- Hashimoto, N., Handa, H., Nagata, I, Hazama, F.: Experimentally induced cerebral aneurysm in rats: Part V. Relation of hae- modynamicy in the Circle Willis to forma- tion of aneurysms. Surg. Neurol., 13: 41- 46. (1980.)
- Kim, C., Kikuchi, H., Hashimoto, N., Haza ma, F., Kataoka, H.: Establishment of the experimentál coditions for incuding saccular cerebral aneurysm in primates with special reference to hypertension. Acta Neurochir. (Wien), 96: 132-136. (1989.)
- Kim, C., Kikuchi, H., Hashimoto, N.: Involvment of internál elastic lamina in de- velopment of induced cerebral aneurysms in rats. Stroke, 19: 507-511. (1988.)
- Ostergaard, J. R.: Risk factors in intracranial saccular aneurysm. Aspects on the formation and rupture of aneurysms and development of cerebral vasospasm. Acta Neurol. Scand., 80: 81-98. (1989.)
- Stehbens, W. E.: Hypertension and cerebral aneurysms. J. Neurosurg. 70: 823- 831. (1989.)
- Stehbens, W. E.: Etiology of intracranial berry aneurysms. J. Neurosurg., 70: 823- 831. (1989.)
- Steiger, H. J" Aalid, R" Keller, S" Reulen, II. J.: Growth of aneurysms can be un- derstood as passive yeld too blood pressure. Acta Neurochir., 100: 74-78. (1989.)
- Steiger, H. J" Poll, A., Liepsch, D" Reulen, H. J.: Haemodynamic stress in terminal aneurysms. Acta Neurochir., 93: 18-23. (1988.)
- Yong-Zhong, G" Van Alphen, H. A. M.: Pathogenesis and histopathology of saccular aneurysms: review of the literature. Neurological Res., 12: 249-255. (1990.)
- Gonzalez, C. F" Cho, Y" I, Ortega, II. V., Morét, J.: Intracranial aneurysms: flow analysis of their origin and progression. Ara. J. Neuroradiol., 13(1): 181-188. (1992.)
- Austin, G., Fischer, S., Dickson, D., An- derson, D., Richárdson, S.: The signifi- cance of the extracellular mátrix in intracranial aneurysms. Ann. Clin. Lab. Sci., 23(2): 97-105. (1993.)
- Tóth M., Nádasy Gy" Kerényi T., Nyáry /., Monos E.: Agyi aneurizmás betegek artériáinak biomechanikai tulajdonságai. MÉT Vándorgyűlés. (1995.)
- Tóth M., Nádasy Gy., Kerényi T., Monos E.: Humán agyi aneurizmák biomechanikai vizsgálata. MÉT Vándorgyűlés. (1995.)
- Ryba, M., Jarzabek-Chorzelska, M" Chorzelski, T., Pastuszko, M.: Is vascular angiopathy following intracranial aneurysm rupture immunology mediated? Acta Neurochir. (Wien), 117: 34-37. (1992.)
- Niskanen, M. M., Hemesniemi, J. A., Vapalahti, M. P., Kari, A.: One-year outco- me in early aneurysm surgery: Prediction of outcome. Acta Neurochir. (Wien), 123: 15-32. (1993.)
- Strother, C. M" Graves, V. B., Rappe, A.: Aneurysm haemodynamics: an experimental-study. A. J. N. R" 13: 1089-1095. (1992.)
- Nakatani, H., Hashimoto, N" Kang, Y, Yamazoe, N., Kikuchi, II., Yamaguchi, S., Niimi, II: Cerebral blood flow patterns at major vessel bifurcations and aneurysm in rats. J. Neurosurg. 74: 258-262. (1991.)
- Hashimoto, N., Handa, II, Nagata, I., Hazama, F.: Animál model of cerebral aneurysm: pathology and pathogenesis of induced cerebral aneurysms in rats. Neurol. Res., 6: 33-40. (1984.)
- Reyes, R. A., Boehm F. H., Ehler, W., Kennedy, D., Shagets, F., Woodruff, W., Smith, T" Ausman, J.: Direct angioplasty of the basilar artery in baboons. Surg. Neurol. 33: 185-191. (1990.)
- Glen, G., Haklin, M., Brennecke, L: Embolization of experimentally created aneurysms with intravascular stent devices. A. J. N. R., 15: 1223-1231. (1994.)
- Plets, C.: Arterial hypertension in neurosurgical emergencies. Am. J. Cardiol., 63: 40C-42C. (1989.)
- Eben, A. III, Black, P. McL., Liszczak, T. M., Zerva, N. T.: Delayed CSF lavage for arteriographic and morphological vasospasm after eyperimental SAH. J. Neurosurg., 63: 949-958. (1985.)
- Gennano, A., d'Avella, D.. Ciciarello, R., Hayes, R. L., Tomasello, F.: Blood-brain barrier permeability changes after experimentál szbarachnoid hemorrhage. Neurosurg., 30: 882-886. (1992.)
- Austin, G. M" Schievink, W" Williams, R. B. S.: Controlled pressure-volume factors in the enlargment of intracranial aneurysms. Neurosurg., 24: 722-73. (1989.)
- Steiger, H. ]., Reulen, H. J.: Low frequency flow fluctuations in saccular aneurysms. Acta Neurochir. (Wien), 83: 131-137. (1986.)
- Steiger. H. J" Poll, A., Liepsch, D. W.. Reulen, H. ].: Haemodynamic stress in terminál aneurysms. Acta Neurochir. (Wien), 93: 1-23. (1988.)
- Steiger, H. J" Poll, A., Liepsch, D. W., Reulen, H. J.: Haemodynamic stress in lateral saccular aneurysms. Acta Neurochir. (Wien), 86: 98-105. (1987.)
- Gonzalez, C. F" Cho, Y. I., Ortega, H. V., Morét, J.: Intracranial aneyurysms: Flow analysis of their origin and progression. A. J. N. R., 13: 181-188. (1992.)
- Rossiti, S" Lofgren, J.: Vascular dimension of the cerebral arteries follow the principle of minimum work. Stroke, 24(3): 371-377. (1993.)
- Rossiti, S., Lofgren, J.: Optimality pronciples and flow orderliness at branching points of cerebral arteries. Stroke, 24(7): 1029-1032. (1993.)
- Monos E.: Az érfal biomechanikája. Medicina (1986.)
- Orosz M., Molnárka Gy., Monos E.: Az érfal viszkoelasztikus paramétereinek meghatározása computer modell segítségével. IV. Semmelweis Tudományos Fórum. 55. (1995.)
Dr. Tóth Mária
Semmelweis OTE Klinikai
Kutató - II. sz. Élettani Intézet
1082 Budapest, Üllői út 78/a.
Érbetegségek: 1995/4. 1-8. oldal